MÃ BẢN VẼ
61768
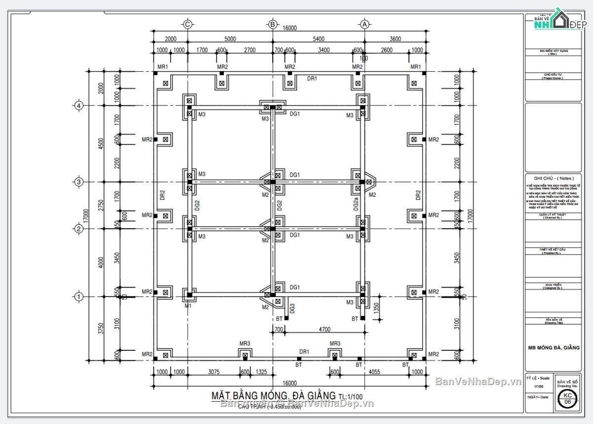
Bản vẽ Biệt thự 3 tầng 11.7x12.8m (Hồ sơ thiết kế kỹ thuật thi công full kiến trúc, kết cấu, điện nước)
Biệt thự 3 tầng đẹp 11,7x12,8m với đầy đủ công năng, không gian hiện đại sang trọng. Hồ sơ thiết kế kỹ thuật thi công Full Kiến trúc, kết cấu, điện nước. File Autocad và file PDF.
Ngày đăng: 05/10/2025
File download:
BIỆT THỰ 3 TẦNG 11,7x12,8m.rar
Dung lượng file:
6.87 MB
Phong cách: Hiện đại
Kích thước: ...
CÔNG CỤ THIẾT KẾ:

Autocad

Sketchup

3D Max

Revit

Khác...
CÁC HẠNG MỤC CỦA BẢN VẼ:

Kiến trúc

Kết cấu

Điện

Nước

PCCC

Phối cảnh

Dự toán

Tài liệu

Khác...
NGƯỜI ĐĂNG
Bản vẽ
24
Bộ sưu tập
0
Đánh giá (61)
5/5
Ngày tham gia
18/9/2025
Mô tả chi tiết
Hồ sơ thiết kế bao gồm:
1. Phần Kiến trúc (Bản vẽ thiết kế chi tiết thi công);
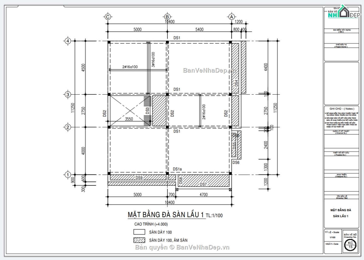
2. Phần Kết cấu (Bản vẽ thiết kế chi tiết thi công);
3. Phần cấp điện, cấp thoát nước (Bản vẽ thiết kế chi tiết thi công).
Quy mô công trình 3 tầng:
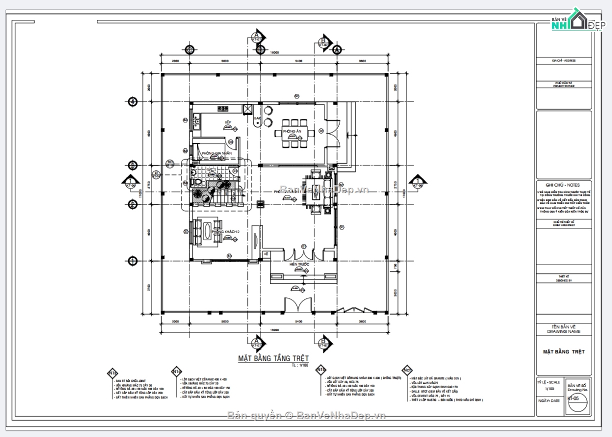
Tầng 1: Phòng khách lớn, phòng khách nhỏ, phòng bếp ăn, phòng gia nhân
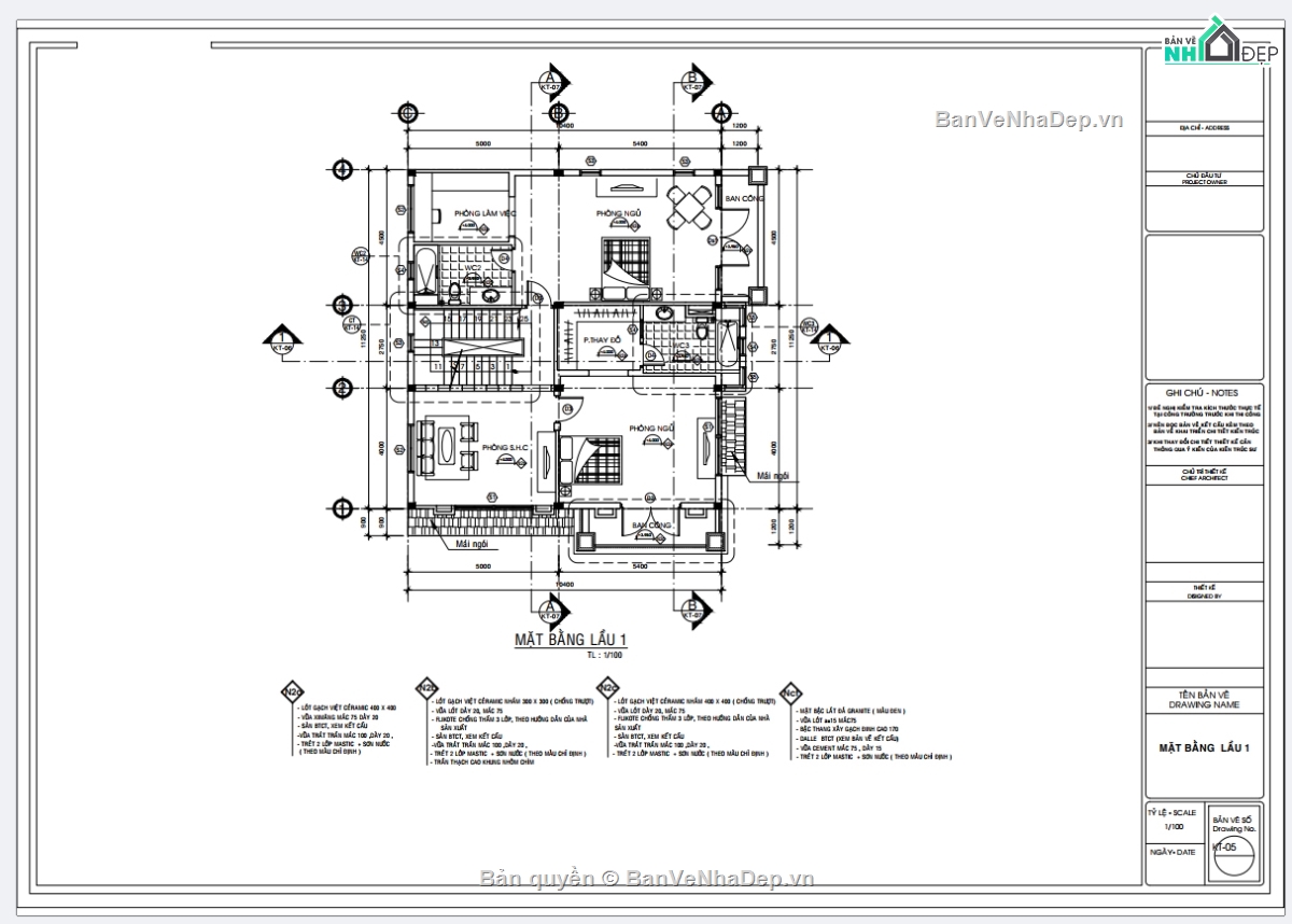
Tầng 2: Phòng ngủ master, 1 phòng ngủ, phòng sinh hoạt chung
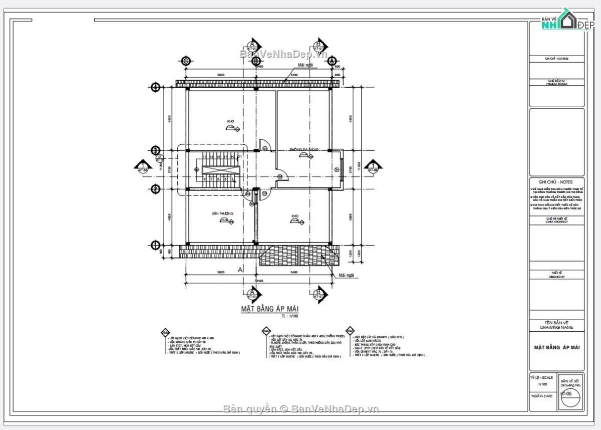
Tầng 3: 2 phòng ngủ, phòng đọc sách, phòng thờ
Bình luận (0)
Đánh giá (1)
ĐÁNH GIÁ TRUNG BÌNH
5/5
(
1 Nhận xét)
Bản vẽ rất tốt (1)
Bản vẽ tốt (0)
Bản vẽ rất hay (0)
Bản vẽ hay (0)
Bình thường (0)
Bản vẽ rất tốt
Đã đăng bản vẽ này
Bản vẽ rất tốt và phù hợp để tham khảo