MÃ BẢN VẼ
57025
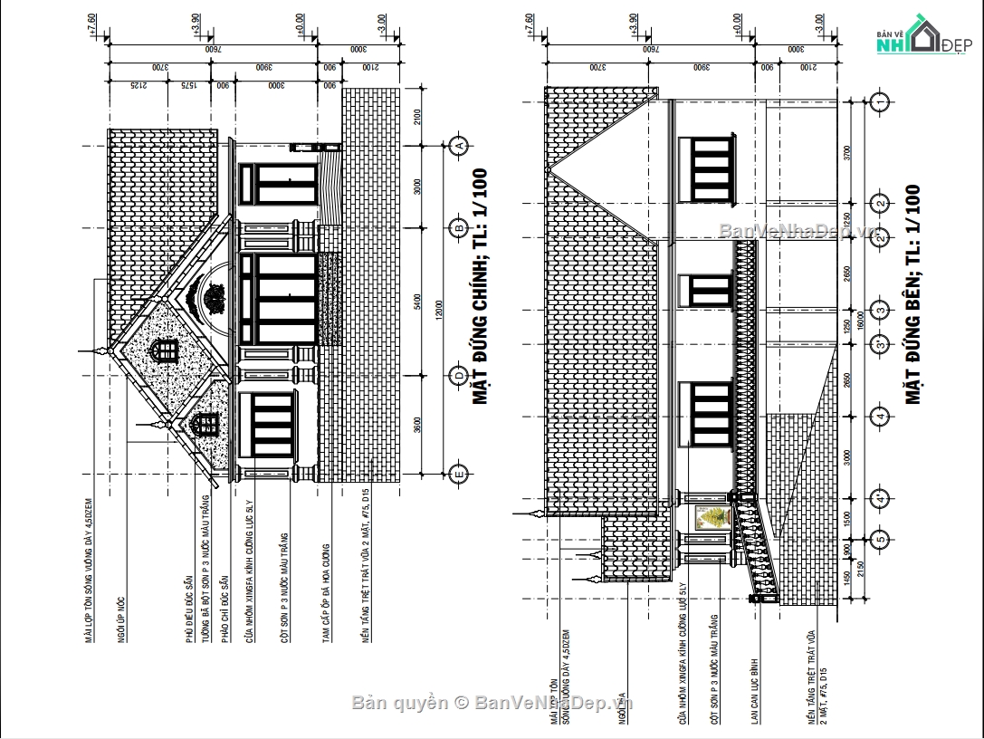
Bản vẽ nhà mái thái 2 tầng 12x16m
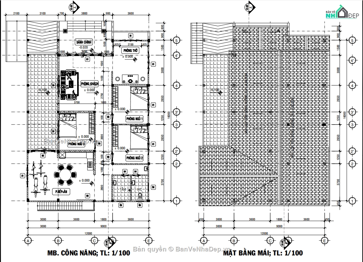
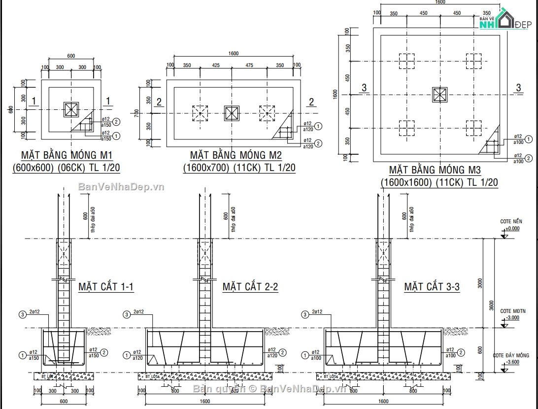
Hồ sơ gồm: Sketchup, Kiến trúc, Kết Cấu, Điện, Nước. Công năng chính: 1 phòng thờ, 3 phòng ngủ, Bếp + ăn rộng, WC chung phía sau
Ngày đăng: 20/6/2025
File download:
40. Biet Thu Mai Thai 12x16m - 2 Tang.rar
Dung lượng file:
53,1 MB
Phong cách: Tân cổ điển
Kích thước: Rộng 12m, Dài 16m, DT 192m2
CÔNG CỤ THIẾT KẾ:

Autocad

Sketchup

3D Max

Revit

Khác...
CÁC HẠNG MỤC CỦA BẢN VẼ:

Kiến trúc

Kết cấu

Điện

Nước

PCCC

Phối cảnh

Dự toán

Tài liệu

Khác...
NGƯỜI ĐĂNG
Bản vẽ
47
Bộ sưu tập
0
Đánh giá (98)
5/5
Ngày tham gia
25/5/2024
Mô tả chi tiết
Ngôi nhà một tầng mái ngói, phong cách tân cổ điển kết hợp truyền thống. Mặt tiền bề thế với hệ cột tròn, mái dốc nhiều lớp và chi tiết hoa văn trang trí ở đầu hồi. Bên trong bố trí 3 phòng ngủ, 1 phòng khách, phòng thờ, bếp – ăn và khu vệ sinh tách riêng. Mặt bằng công năng khoa học, thông thoáng, phù hợp gia đình nhiều thế hệ. Mái ngói dốc bao phủ toàn bộ, giúp cách nhiệt tốt và tạo vẻ đẹp truyền thống.
Bình luận (0)
Đánh giá (1)
ĐÁNH GIÁ TRUNG BÌNH
5/5
(
1 Nhận xét)
Bản vẽ rất tốt (1)
Bản vẽ tốt (0)
Bản vẽ rất hay (0)
Bản vẽ hay (0)
Bình thường (0)
Bản vẽ rất tốt
Đã đăng bản vẽ này
Bản vẽ rất tốt và phù hợp để tham khảo