MÃ BẢN VẼ
54315
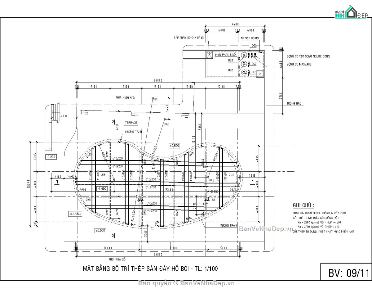
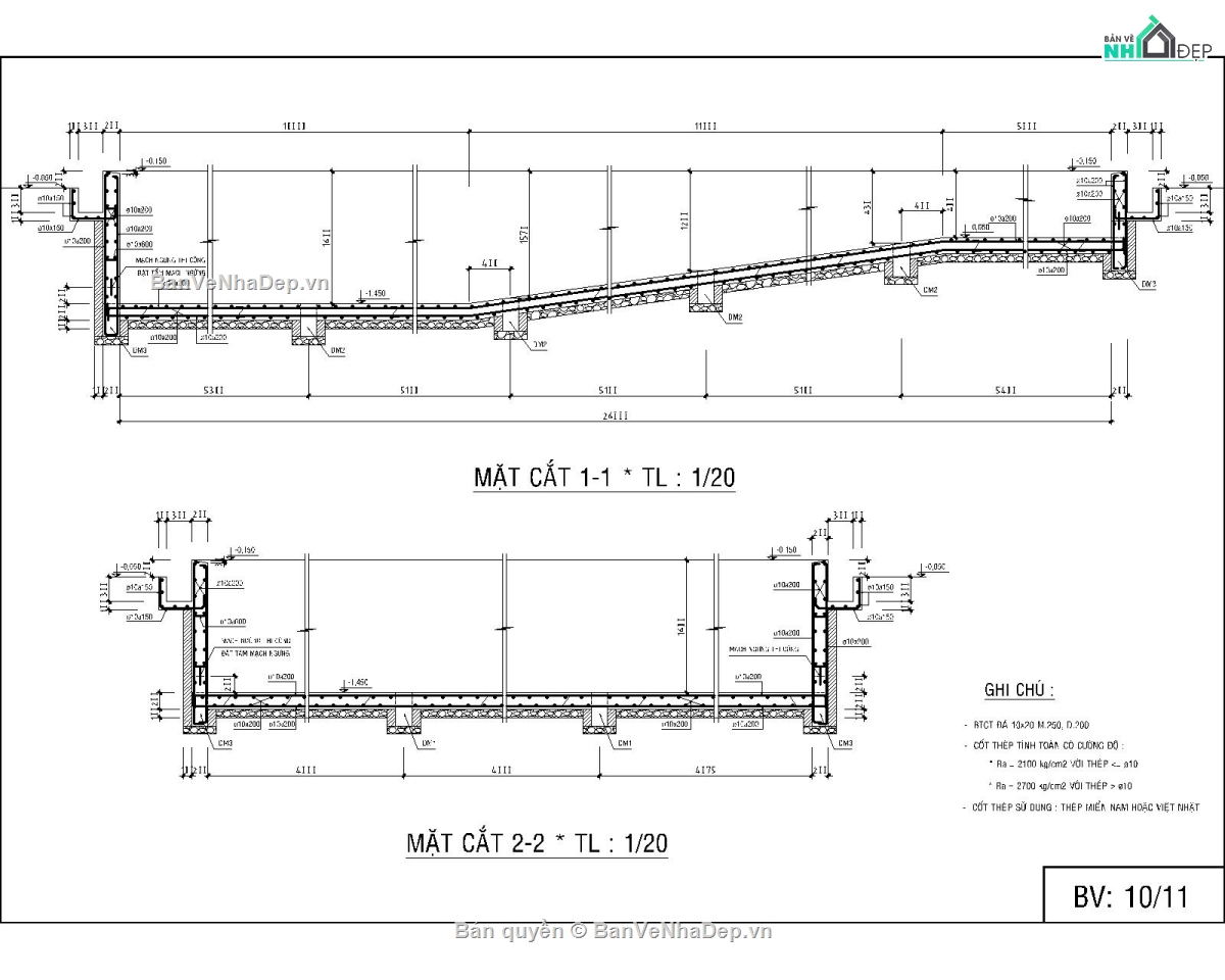
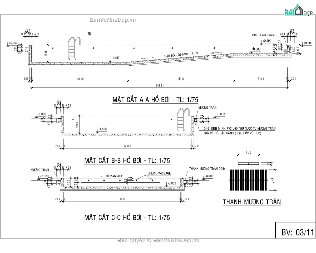
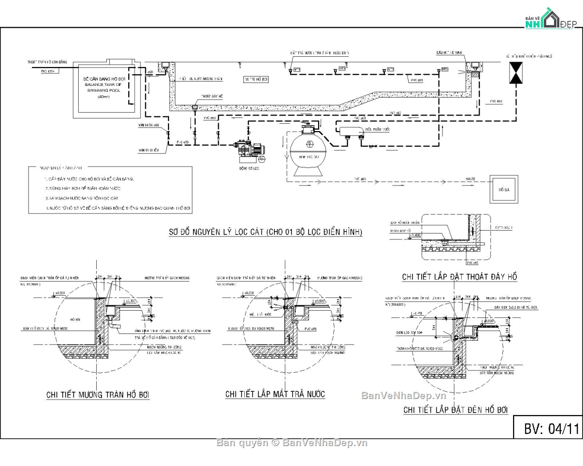
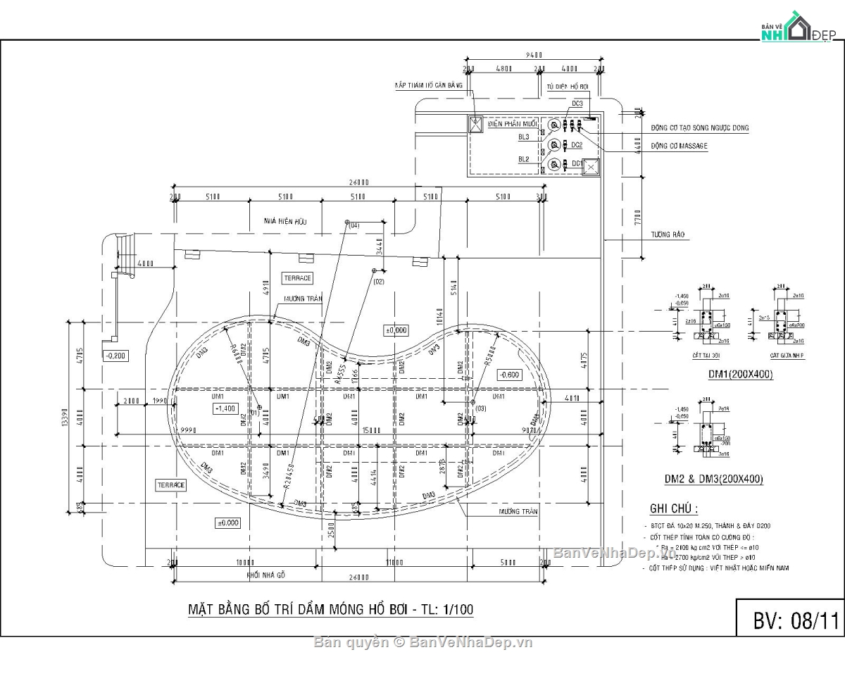
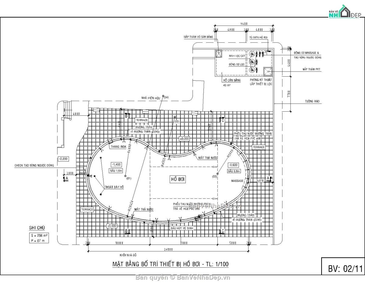
Chia xẻ Quý khách bản vẽ hồ bơi hình tự do (266 m2) sâu từ 0,8m -1,6m. Full Kiến trúc & Kết cấu.
Chia xẻ Quý khách bản vẽ hồ bơi hình tự do (266 m2) sâu từ 0,8m -1,6m. Full Kiến trúc & Kết cấu. Sử dụng hệ thống lọc cát. Có hệ thống Massage thủy lực, đèn chiếu sáng. Hồ bơi công nghệ tràn view đẹp.
Ngày đăng: 03/5/2025
File download:
Dung lượng file:
Phong cách: Tân cổ điển
Kích thước: DT 266m2
CÔNG CỤ THIẾT KẾ:

Autocad

Sketchup

3D Max

Revit

Khác...
CÁC HẠNG MỤC CỦA BẢN VẼ:

Kiến trúc

Kết cấu

Điện

Nước

PCCC

Phối cảnh

Dự toán

Tài liệu

Khác...
NGƯỜI ĐĂNG
Bản vẽ
24
Bộ sưu tập
1
Đánh giá (36)
5/5
Ngày tham gia
29/12/2017
Mô tả chi tiết
Chia xẻ Quý khách bản vẽ hồ bơi hình tự do (266 m2) sâu từ 0,8m -1,6m. Full Kiến trúc & Kết cấu. Sử dụng hệ thống lọc cát. Có hệ thống Massage thủy lực, Jet Bơi ngược dòng, đèn chiếu sáng. Hồ bơi công nghệ tràn view đẹp Thích hợp cho các công trình hồ bơi gia đình. Các khu vui chơi giải trí, Resort, Villa...Tạo cảm giác thư giãn cho Quý khách & tạo cảnh quan đẹp cho ngôi nhà của Quý khách.
Cám ơn Quý khách đã xem tin !
Bình luận (0)
Đánh giá (1)
ĐÁNH GIÁ TRUNG BÌNH
5/5
(
1 Nhận xét)
Bản vẽ rất tốt (1)
Bản vẽ tốt (0)
Bản vẽ rất hay (0)
Bản vẽ hay (0)
Bình thường (0)
Bản vẽ rất tốt
Đã mua bản vẽ tại Banvenhadep.vn
Bản vẽ rất tốt và phù hợp để tham khảo