MÃ BẢN VẼ
59862

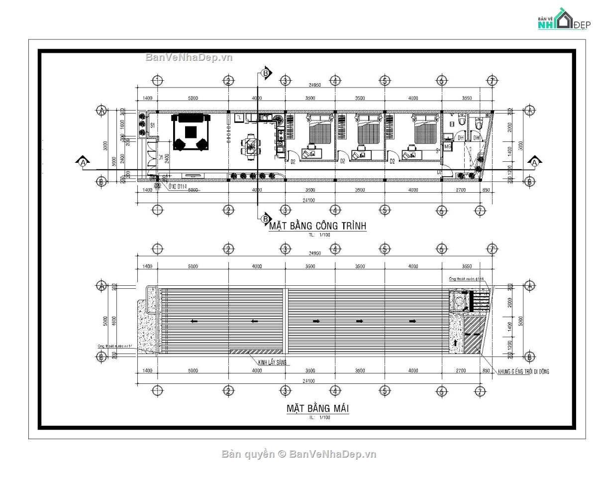
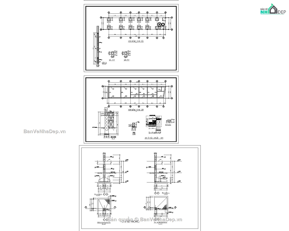
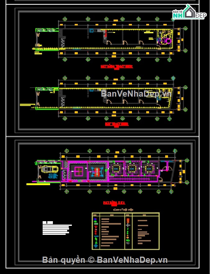
Nhà phố cấp 4.5x25m chi tiết hồ sơ kiến trúc, kết cấu, điện nước

  (1 Nhận xét)     Viết đánh giá        0     0     77

Nhà cấp 4, 5x20m. 1 phòng khách liền bếp + 3 phòng ngủ + nhà vệ sinh. giếng trời đẹp

Danh mục: Nhà cấp 4
Ngày đăng: 14/7/2025
File download: BAN VE NHA 5X25.dwg
Dung lượng file: 4.5 MB
Phong cách: Hiện đại
Kích thước: Rộng 4,5m, Dài 25m, DT 112,5m2
CÔNG CỤ THIẾT KẾ:
Autocad
Sketchup
3D Max
Revit
Khác...
CÁC HẠNG MỤC CỦA BẢN VẼ:
Kiến trúc
Kết cấu
Điện
Nước
PCCC
Phối cảnh
Dự toán
Tài liệu
Khác...

NGƯỜI ĐĂNG
(Hạng vàng)
Xem trang
bản vẽ nhà
Bản vẽ
3
bộ sưu tập bản vẽ nhà
Bộ sưu tập
0
đánh giá mẫu bản vẽ
Đánh giá (3)
5/5
ngày tham gia bản vẽ nhà đẹp
Ngày tham gia
14/10/2022

Mô tả chi tiết

Nhà cấp 4, 5x20m. 1 phòng khách liền bếp + 3 phòng ngủ + nhà vệ sinh. giếng trời đẹp

Bình luận (0)


Đánh giá (1)

ĐÁNH GIÁ TRUNG BÌNH
5/5

(1 Nhận xét)
Bản vẽ rất tốt (1)
Bản vẽ tốt (0)
Bản vẽ rất hay (0)
Bản vẽ hay (0)
Bình thường (0)
Chia sẻ nhận xét về bản vẽ
 Viết nhận xét của bạn
tran tuan
Thời gian 23:17
10/8/2025
Bản vẽ rất tốt   
 Đã mua bản vẽ tại Banvenhadep.vn
Bản vẽ thiết tốt thích hợp để tham khảo
HỖ TRỢ TRỰC TUYẾN