MÃ BẢN VẼ
54351

Thiết kế mep mẫu nhà phố kết hợp cho thuê tòa nhà

  (1 Nhận xét)     Viết đánh giá        0     0     30

Thiết kế mẫu nhà phố kết hợp cho thuê tòa nhà các hệ điện - chiếu sáng - hvac - ctn

Ngày đăng: 16/4/2025
File download: 1. M\x26E Nhà Phố.rar
Dung lượng file: 12.9 MB
Phong cách: Hiện đại
Kích thước: ...
CÔNG CỤ THIẾT KẾ:
Autocad
Sketchup
3D Max
Revit
Khác...
CÁC HẠNG MỤC CỦA BẢN VẼ:
Kiến trúc
Kết cấu
Điện
Nước
PCCC
Phối cảnh
Dự toán
Tài liệu
Khác...

NGƯỜI ĐĂNG
(Hạng vàng)
Xem trang
bản vẽ nhà
Bản vẽ
1
bộ sưu tập bản vẽ nhà
Bộ sưu tập
0
đánh giá mẫu bản vẽ
Đánh giá (1)
5/5
ngày tham gia bản vẽ nhà đẹp
Ngày tham gia
8/12/2023

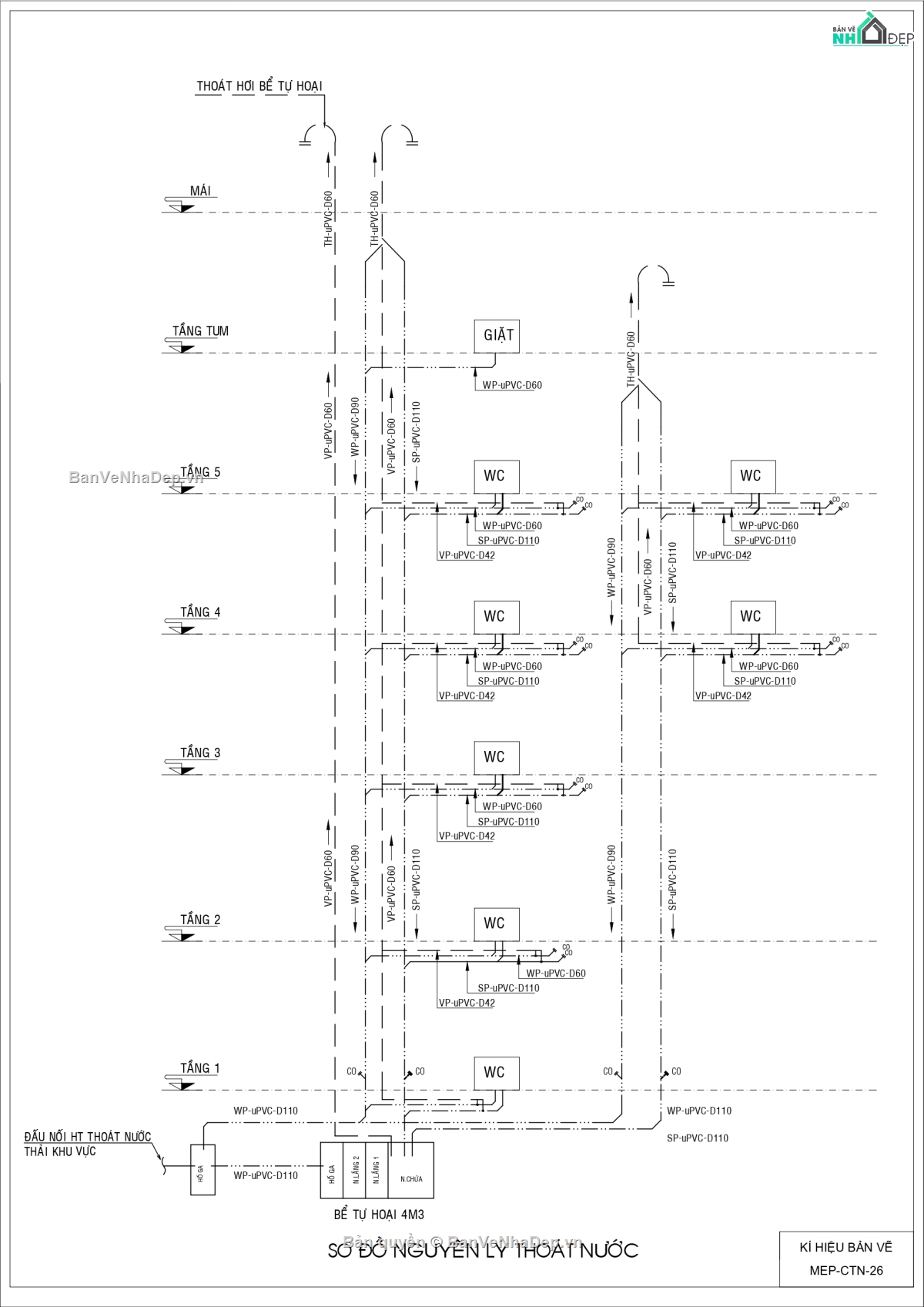
Mô tả chi tiết

Hệ thống điện tổng quát

hệ thống điện trong file cad này bao đầy đủ các thành phần sau:

  • nguồn cấp điện: sử dụng lưới điện 3 pha từ hệ thống điện quốc gia.

  • tủ điện tổng (mdb): là trung tâm phân phối điện chính, cấp nguồn cho các tủ điện phụ (sdb) và các hệ thống khác như điều hòa, chiếu sáng, ổ cắm, bơm...

  • tủ phân phối phụ (sdb): chia download điện đến các thiết bị tiêu thụ điện trong khu vực cụ thể (ví dụ: văn phòng, khu vệ sinh, phòng kỹ thuật, v.v.).

  • hệ thống ổ cắm & chiếu sáng: sử dụng các kênh đi dây âm tường hoặc trần, bố trí ổ cắm và đèn theo sơ đồ mặt bằng chức năng từng khu vực.

  • thiết bị bảo vệ: bao đầy đủ mccb, mcb, rcbo được lắp đặt tại các tủ điện để bảo vệ quá tải, ngắn mạch và rò điện.

2. các danh mục hệ thống điện cụ thể

  • chiếu sáng: hệ thống chiếu sáng sử dụng đèn led âm trần, đèn downlight, đèn chống ẩm tùy vị trí. bố trí đảm bảo mức độ chiếu sáng theo tiêu chuẩn.

  • ổ cắm điện: đầy đủ ổ cắm tổng, ổ cắm riêng cho thiết bị văn phòng, máy móc lạnh, và ổ cắm kỹ thuật (dự phòng).

  • cấp nguồn cho thiết bị cơ điện: bao đầy đủ máy móc bơm nước, quạt hút, máy móc lạnh, hệ thống thông gió... đều có đường dây điện cấp riêng được thể hiện trong file cad kỹ thuật.

  • tiếp địa & chống sét: có thể bao đầy đủ hệ thống tiếp địa chung cho thiết bị

Bình luận (0)


Đánh giá (1)

ĐÁNH GIÁ TRUNG BÌNH
5/5

(1 Nhận xét)
Bản vẽ rất tốt (1)
Bản vẽ tốt (0)
Bản vẽ rất hay (0)
Bản vẽ hay (0)
Bình thường (0)
Chia sẻ nhận xét về bản vẽ
 Viết nhận xét của bạn
Sơn Mai Thái
Thời gian 23:51
18/5/2025
Bản vẽ rất tốt   
 Đã đăng bản vẽ này
Bản vẽ thiết tốt thích hợp để tham khảo
HỖ TRỢ TRỰC TUYẾN