MÃ BẢN VẼ
18510
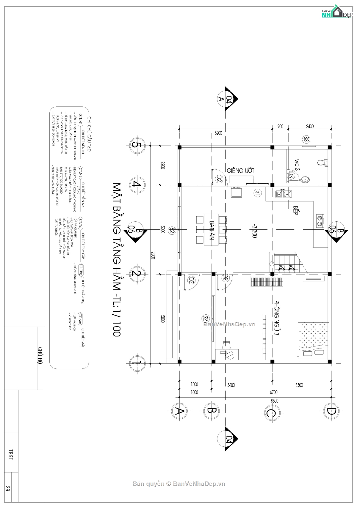
Thiết kế Nhà phố 2 tầng diện tích 8.5x12m
(
1 Nhận xét)
Viết đánh giá
Bình luận: 0
Download: 0
Lượt xem: 646
Thiết kế mẫu Nhà phố 2 tầng diện tích 8.5x12m hạng mục kiến trúc, kết cấu, điện nước, dimlayer chuẩn, nhà 8.5x12m mái Nhật có tầng hầm
Ngày đăng: 02/6/2022
File download:
nha a hau thiet ke.rar
Dung lượng file:
13.3 MB
Phong cách: Hiện đại
Kích thước: Rộng 8,5m, Dài 12m, DT 102m2
CÔNG CỤ THIẾT KẾ:

Autocad

Sketchup

3D Max

Revit

Khác...
CÁC HẠNG MỤC CỦA BẢN VẼ:

Kiến trúc

Kết cấu

Điện

Nước

PCCC

Phối cảnh

Dự toán

Tài liệu

Khác...
NGƯỜI ĐĂNG
Bản vẽ
4
Bộ sưu tập
0
Đánh giá (4)
5/5
Ngày tham gia
13/6/2018
Mô tả chi tiết
Mẫu nhà phố 2 tầng diện tích xây dựng 8.5x12m mái nhật có tầng hầm.
công năng:
tầng trệt: phòng khách, 2 phòng ngủ
tầng hầm: phòng bếp+ăn, phòng ngủ
Bình luận (0)
Đánh giá (1)
ĐÁNH GIÁ TRUNG BÌNH
5/5
(
1 Nhận xét)
Bản vẽ rất tốt (1)
Bản vẽ tốt (0)
Bản vẽ rất hay (0)
Bản vẽ hay (0)
Bình thường (0)
Tèo
Thời gian 00:10
22/6/2022
Bản vẽ rất tốt
Đã đăng bản vẽ này
Bản vẽ thiết tốt thích hợp để tham khảo