MÃ BẢN VẼ
54947
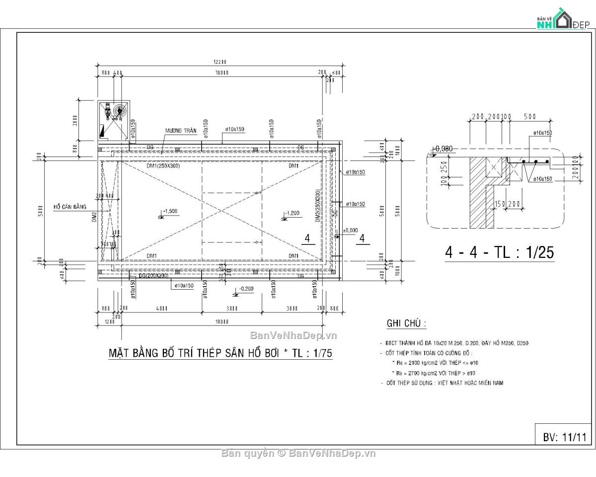
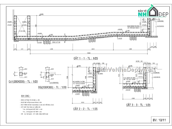
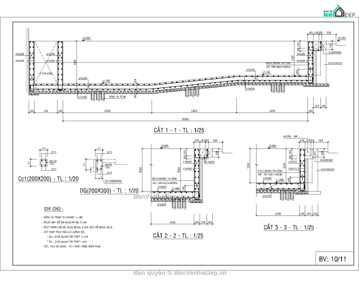
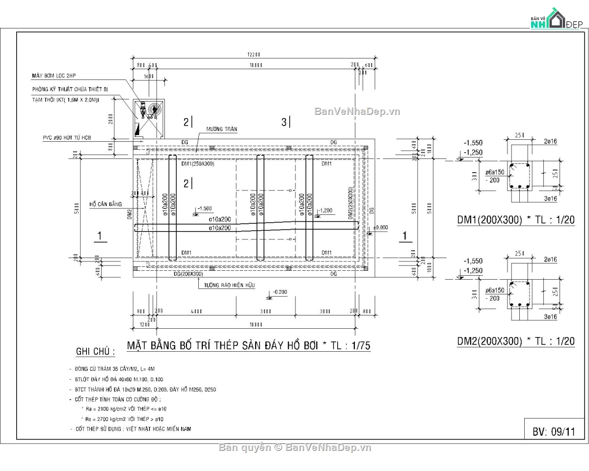
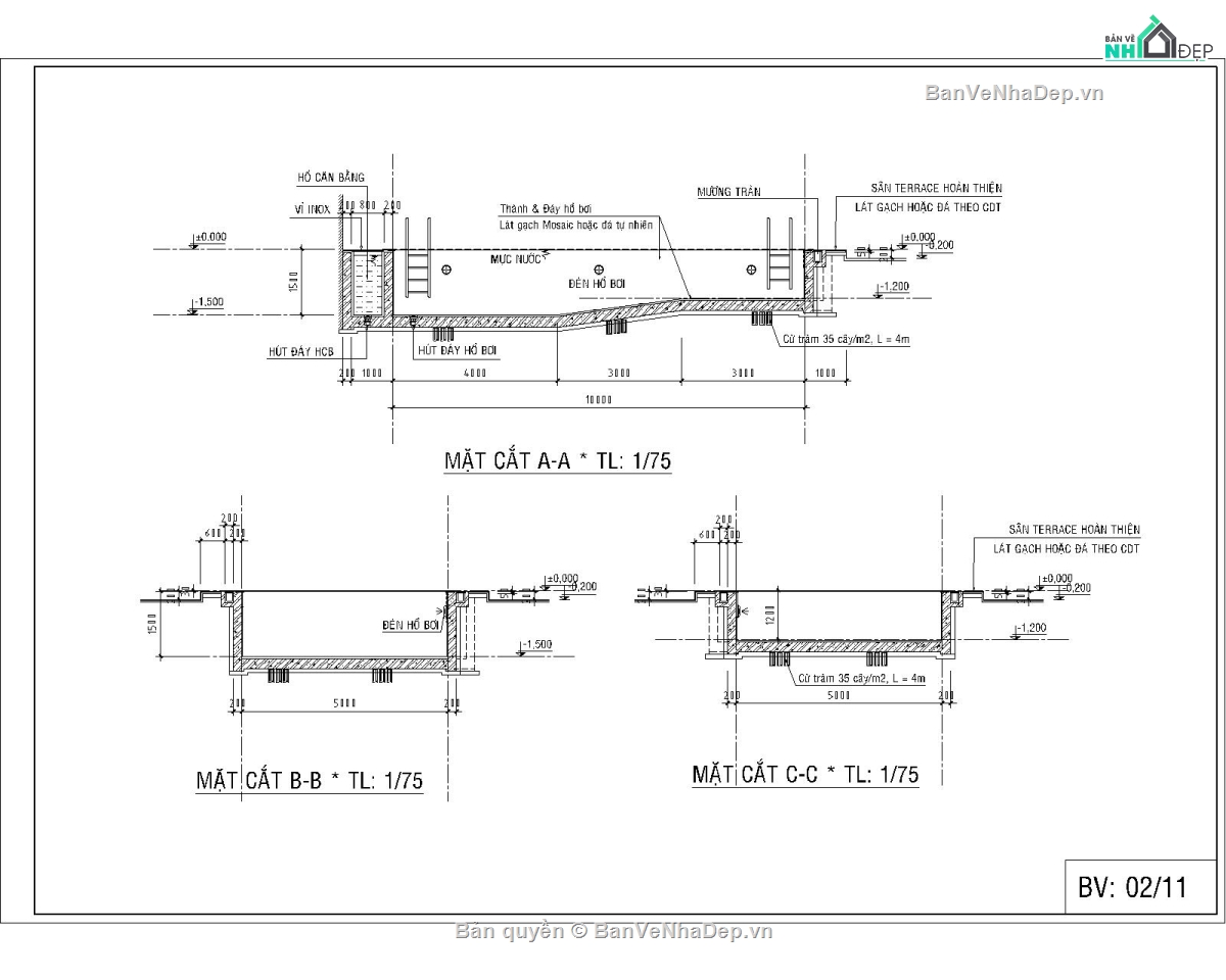
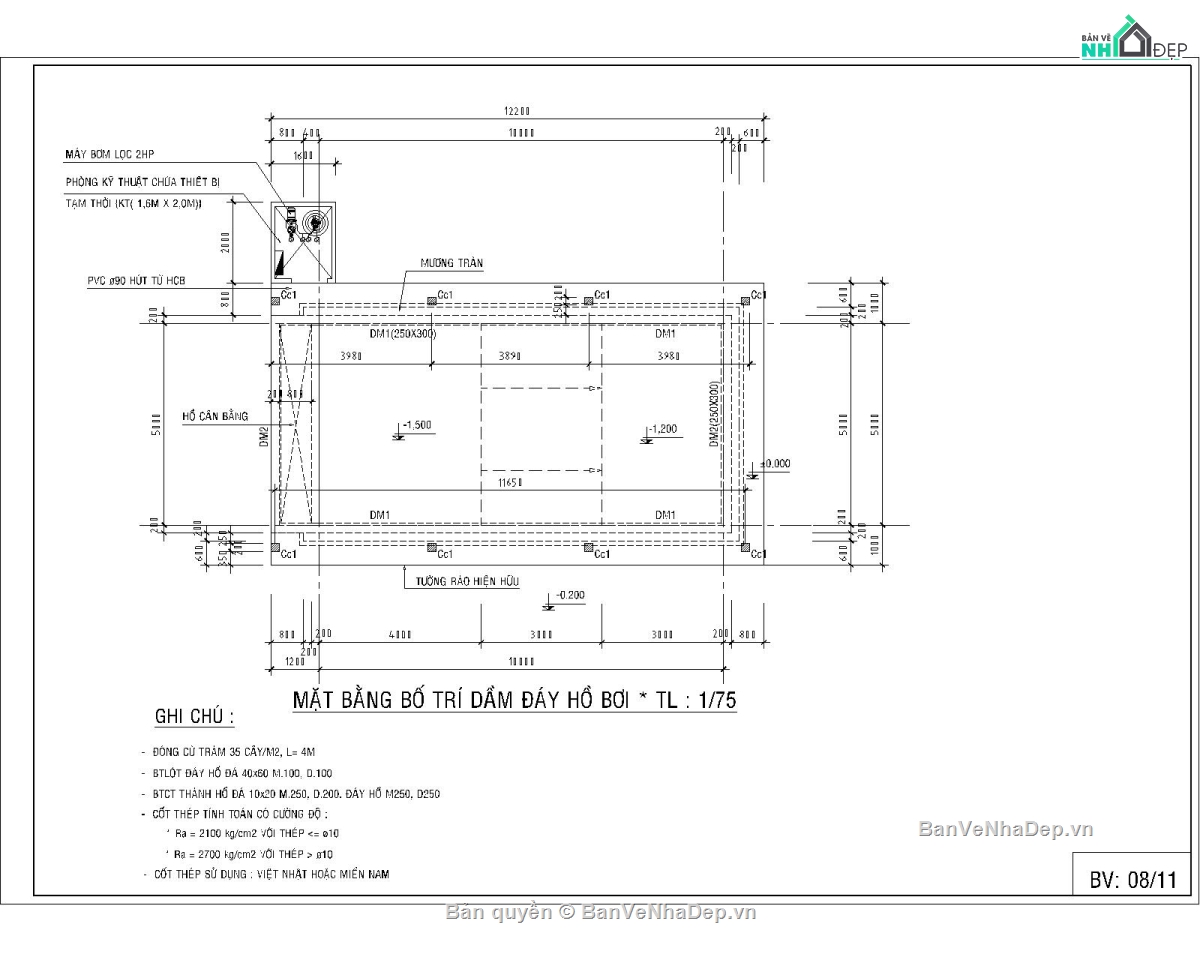
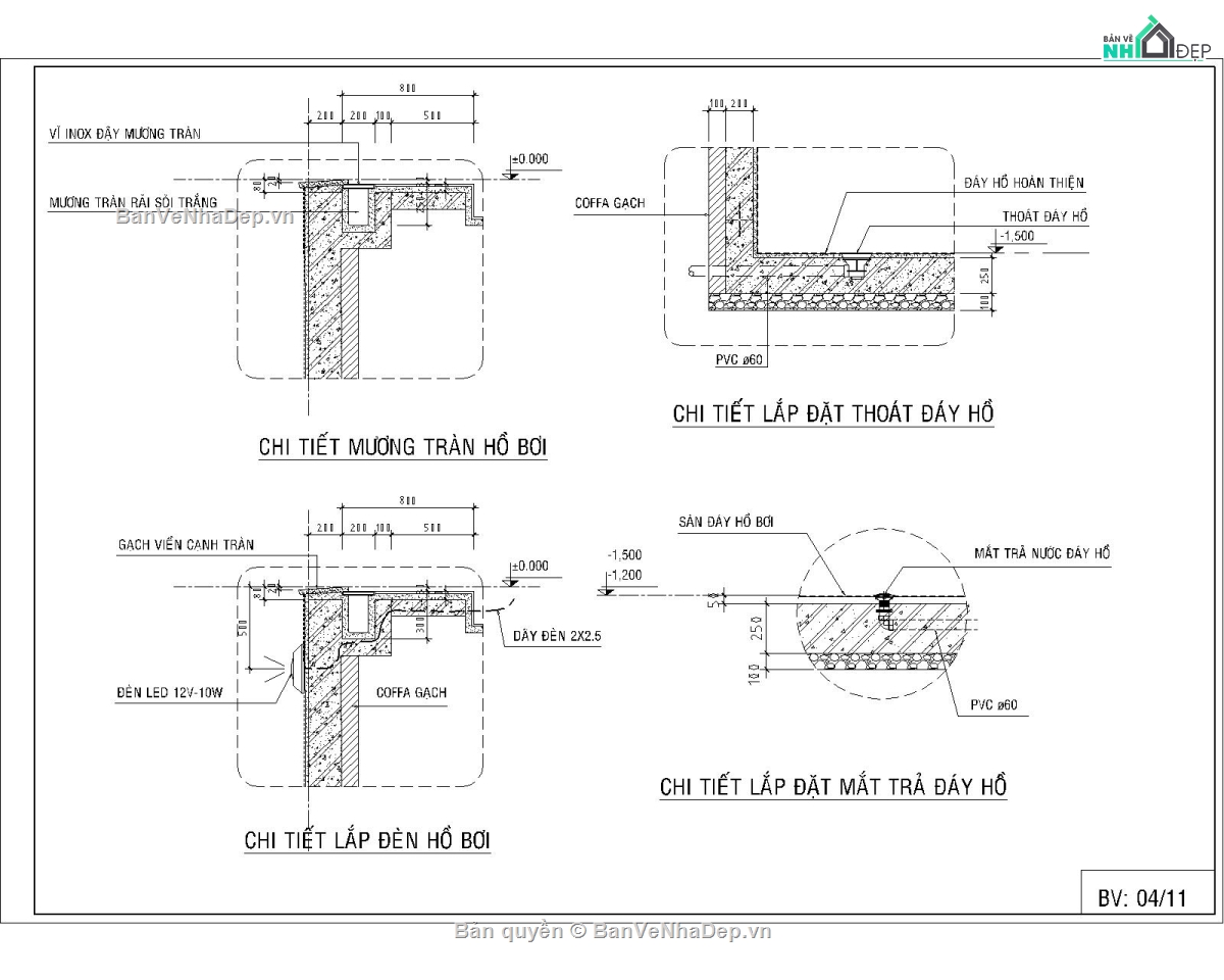
File autocad thiết kế hồ bơi 5x10m hồ bơi vô cực, 04 cạnh tràn. đầy đủ kích thước & kc.
Chia xẻ quý khách thiết kế hồ bơi (5mx10m) đầy đủ kiến trúc & kết cấu. sử dụng hệ thống lọc cát, view tràn đẹp. sâu 1,2m - 1,5m.
Ngày đăng: 17/5/2025
File download:
KT HO BOI (5mX10m) 13.05.25.dwg
Dung lượng file:
7.24 KB
Phong cách: Hiện đại
Kích thước: Rộng 5m, Dài 10m, DT 50m2
CÔNG CỤ THIẾT KẾ:

Autocad

Sketchup

3D Max

Revit

Khác...
CÁC HẠNG MỤC CỦA BẢN VẼ:

Kiến trúc

Kết cấu

Điện

Nước

PCCC

Phối cảnh

Dự toán

Tài liệu

Khác...
NGƯỜI ĐĂNG
Bản vẽ
24
Bộ sưu tập
1
Đánh giá (36)
5/5
Ngày tham gia
29/12/2017
Mô tả chi tiết
Chia xẻ quý khách mẫu bản vẽ hồ bơi (5x10m) đầy đủ kiến trúc & kết cấu. sử dụng hệ thống lọc cát. có hệ thống đèn chiếu sáng. hồ bơi có 4 cạnh tràn view đẹp, sâu từ 1,2m - 1,5m. thích hợp cho các công trình hồ bơi gia đình. các khu vui chơi giải trí, resort, villa...tạo cảm giác thư giãn cho quý khách & tạo cảnh quan đẹp cho ngôi nhà của quý khách.
cám ơn quý khách đã xem tin ! cám ơn admin duyệt tin!
Bình luận (0)
Đánh giá (1)
ĐÁNH GIÁ TRUNG BÌNH
5/5
(
1 Nhận xét)
Bản vẽ rất tốt (1)
Bản vẽ tốt (0)
Bản vẽ rất hay (0)
Bản vẽ hay (0)
Bình thường (0)
Bản vẽ rất tốt
Đã đăng bản vẽ này
Bản vẽ thiết tốt thích hợp để tham khảo