MÃ BẢN VẼ
54205

Full model cad, .skp bản vẽ bản vẽ nhà 5 tầng 1 tum 3.28x12m, có thang máy móc (có chỉnh sửa lên tầng 6,7)

  (1 Nhận xét)     Viết đánh giá        0     1     78

Full model cad, .skp bản vẽ bản vẽ kiến trúc, kết cấu, điện nước, 3d nhà 5 tầng 1 tum, có thang máy móc (có chỉnh sửa lên tầng 6, 7)

Ngày đăng: 13/4/2025
File download: 7.Nhà phố 5 tầng, 1 tum-20250416T011433Z-001.zip
Dung lượng file: 249 MB
Phong cách: Hiện đại
Kích thước: Rộng 3,28m, Dài 12m, DT 39,36m2
CÔNG CỤ THIẾT KẾ:
Autocad
Sketchup
3D Max
Revit
Khác...
CÁC HẠNG MỤC CỦA BẢN VẼ:
Kiến trúc
Kết cấu
Điện
Nước
PCCC
Phối cảnh
Dự toán
Tài liệu
Khác...

NGƯỜI ĐĂNG
(Hạng vàng)
Xem trang
bản vẽ nhà
Bản vẽ
20
bộ sưu tập bản vẽ nhà
Bộ sưu tập
0
đánh giá mẫu bản vẽ
Đánh giá (22)
5/5
ngày tham gia bản vẽ nhà đẹp
Ngày tham gia
23/7/2022

Mô tả chi tiết

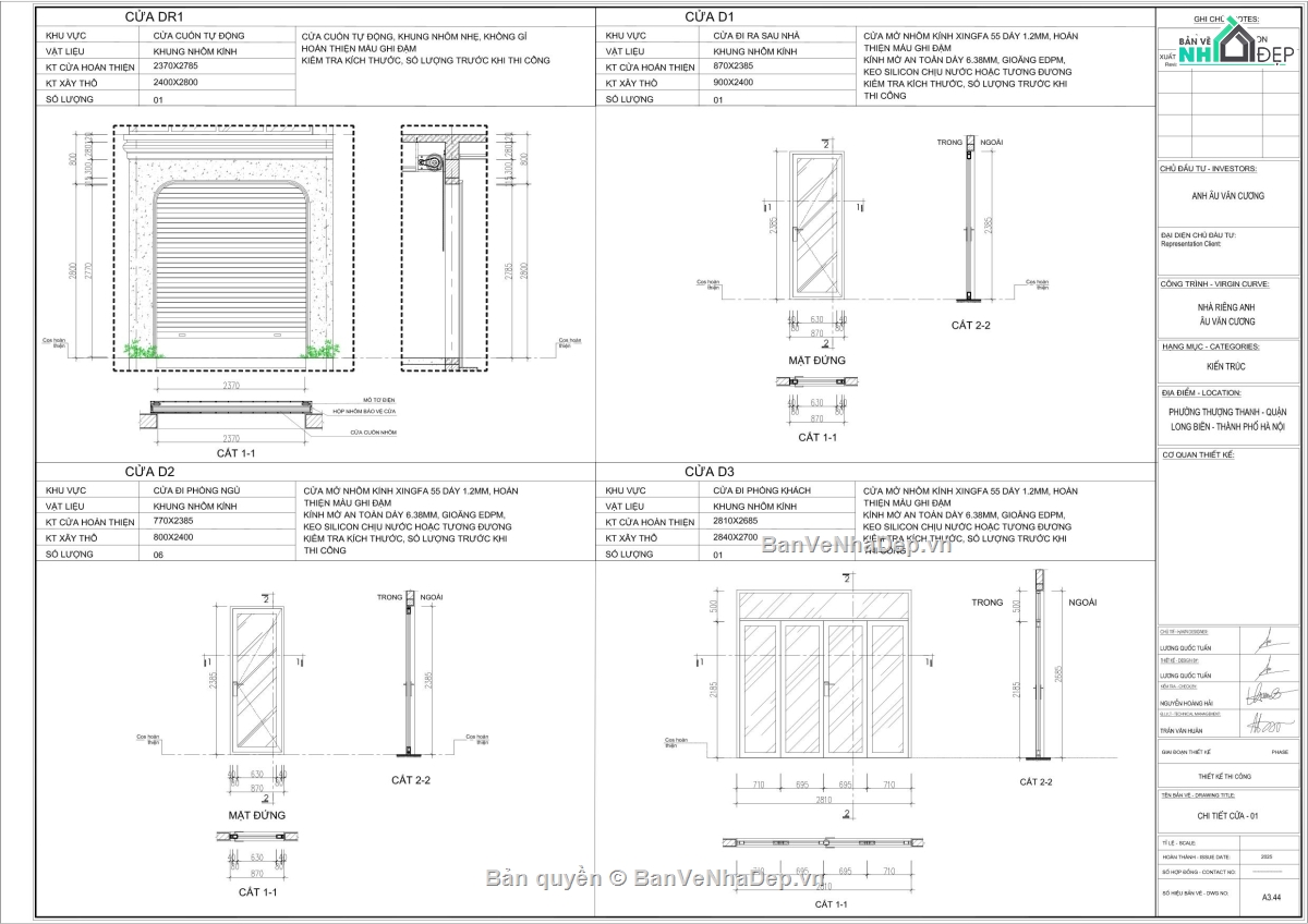
file autocad đầy đủ kiến trúc, kết cấu, điện, nước, file phối cảnh ngoại thất nhà 5 tầng, 1 tum gồm:

bản vẽ kiến trúc bao đầy đủ :

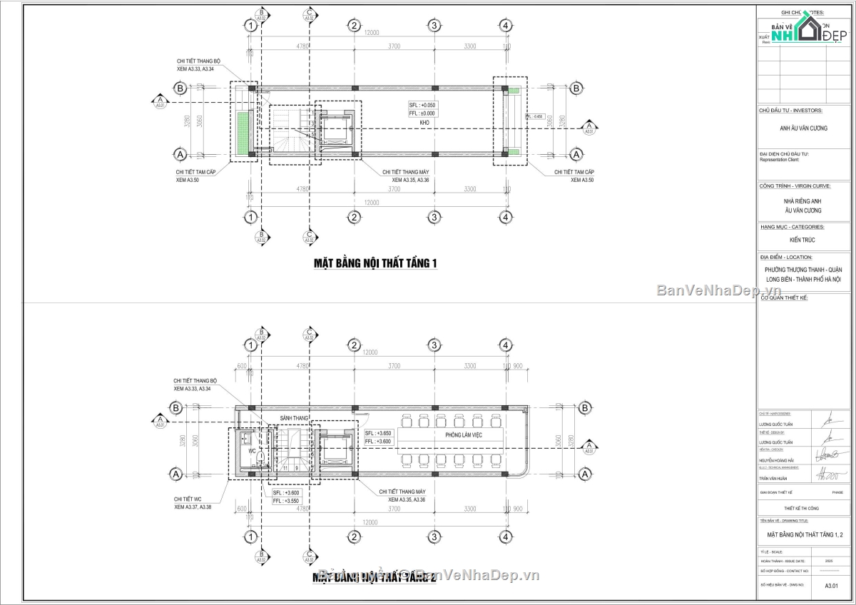
-mặt bằng bố trí công năng tầng 1 đầy đủ kho, thang máy, thang bộ, wc

-mặt bằng bố trí công năng tầng 2 đầy đủ phòng làm việc, thang máy, thang bộ, wc

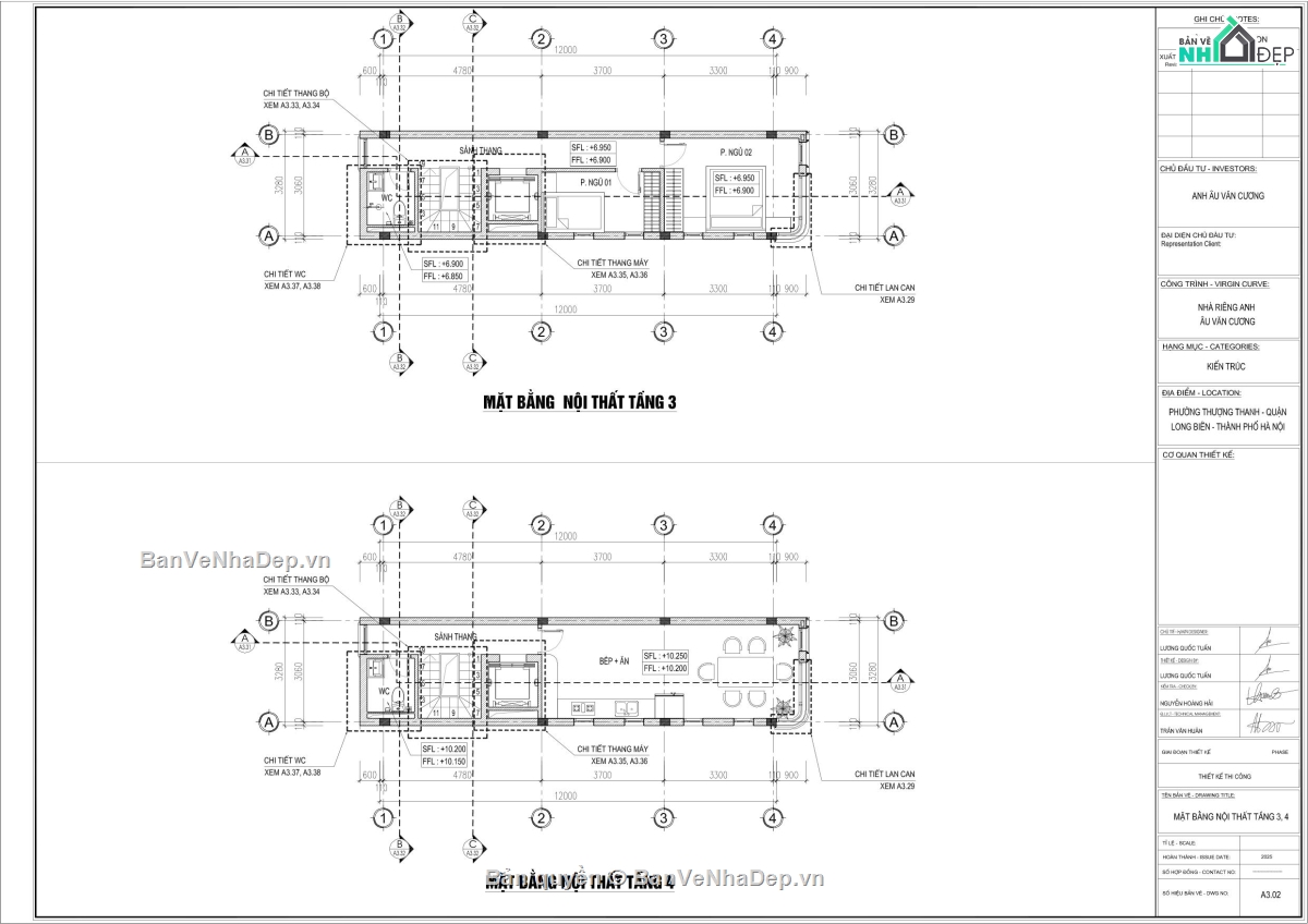
-mặt bằng bố trí công năng tầng 3 đầy đủ phòng ngủ 01, ngủ 02, thang máy, thang bộ, wc

-mặt bằng bố trí công năng tầng 4 đầy đủ phòng bếp+ăn, thang máy, thang bộ, wc

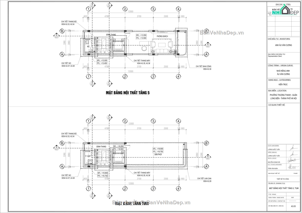
-mặt bằng bố trí công năng tầng 5 đầy đủ phòng khách, thang máy, thang bộ, wc

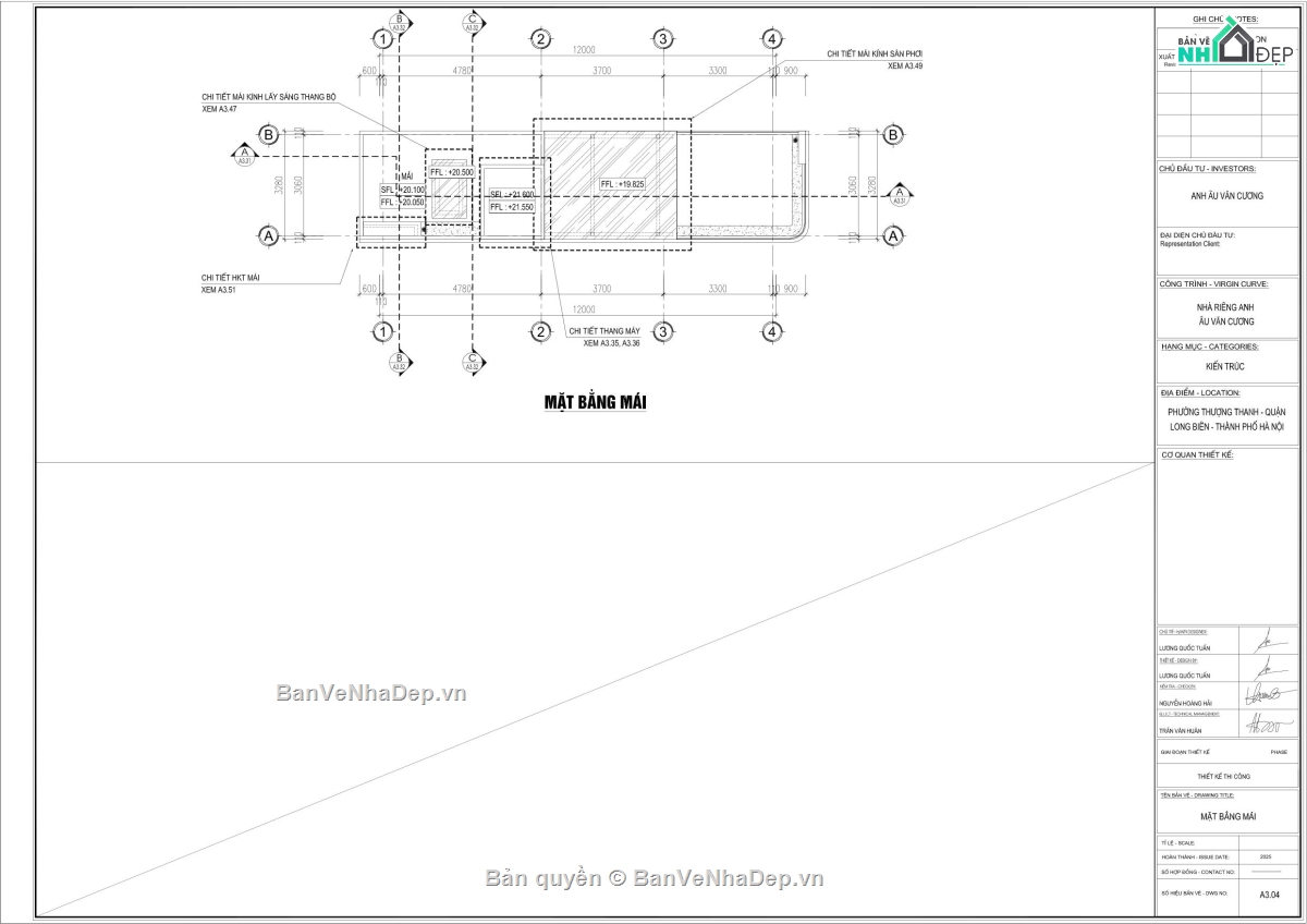
-mặt bằng bố trí công năng tầng tum đầy đủ thang máy, thang bộ, phòng giặt

-các view phối cảnh, thiết kế kết cấu, điện, nước

Bình luận (0)


Đánh giá (1)

ĐÁNH GIÁ TRUNG BÌNH
5/5

(1 Nhận xét)
Bản vẽ rất tốt (1)
Bản vẽ tốt (0)
Bản vẽ rất hay (0)
Bản vẽ hay (0)
Bình thường (0)
Chia sẻ nhận xét về bản vẽ
 Viết nhận xét của bạn
Trithuc Tre
Thời gian 11:44
16/4/2025
Bản vẽ rất tốt   
 Đã đăng bản vẽ này
Bản vẽ thiết tốt thích hợp để tham khảo
HỖ TRỢ TRỰC TUYẾN